• 服务热线

    0577-86155736

    PRODUCT SHOW

    产品展示

    PA旗舰厅

    • 电话:

      0577-86155736

    • 手机:

      0577-86155736

    • 邮箱:

      wzcryy@126.com

    • 地址:

      温州市瓯海区娄桥工业园繁瑞路11号

    您现在的位置:首页 > 产品展示 > ZU-H,QU-H,WU-H系列过滤器

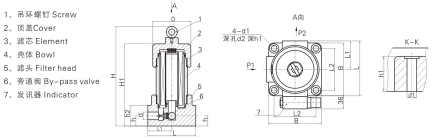
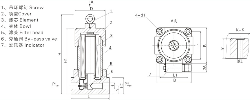
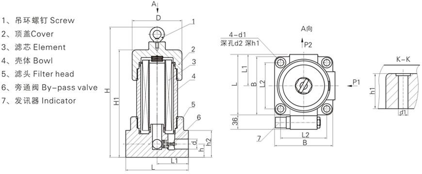
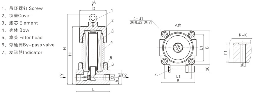
     ZU-H,QU-H,WU-H系列过滤器 

         ZU-H,QU-H,WU-H系列过滤器安装在液压系统的压力管路上,用以滤除液压油中混入的机械杂质和液压油本身化学变化所产生的胶质、沥清质、炭渣质等,从而防止阀芯卡死、节流小孔缝隙和阻尼孔的堵塞以及液压元件过快磨损等故障的发生。
         该过滤器过滤效果好,精度高,但堵塞后清洗比较难,而须更换滤芯。
         该过滤器设有压差发讯装置,当滤芯污染堵塞到进出油口压差为0.35Mpa时,即发出开关信号,此时更换滤芯,以达到保护系统安全的目的。
         该过滤器滤芯采用新型化纤过滤材质,具有过滤精度高、通油能力大、原始压力损失小、纳污量大等优点,其过滤精度以绝对过滤精度标定,过滤比β3、5、10、20>100,过滤效率n≥99%,符合ISO标准。

    型号说明

    技术参数

    型号 通径(mm) 公称流量 (L/min) 过滤精度(μm) 公称压力 (Mpa) 压力损失(MPa) 发讯装置功率(V/W) 重量(kg) 滤芯型号 连接方式
    Initial Max
    Z QU-H10×*P 15 10 1 3 5 10 20 30 32 0.08 0.35 24V/48W 220V/50W 3.6 HX-10×*# 管式
    Z QU-H25×*P 25 5.0 HX-25×*#
    Z QU-H40×*P 20 40 0.1 8.0 HX-40×*#
    Z QU-H63×*P 63 9.8 HX-63×*#
    Z QU-H100×*P 25 100 12.0 HX-100×*#
    Z QU-H160×*P 32 160 0.12 18.2 HX-160×*#
    Z QU-H250×*FP 40 250 23.0 HX-250×*# 法兰式
    Z QU-H400×*FP 50 400 0.15 33.8 HX-400×*#
    U-H630×*FP 53 630 42.0 HX-630×*#
    Z QU-H800×*FP 53 800 52.0 HX-800×*#

    注:*为过滤精度,#为过滤材料,若使用介质为水—乙二醇,滤材为纸质,带发讯器和旁通阀,则过滤器型号为:ZUI·BH—H63×*P,滤芯型号为HX·BH-63×*滤材为化纤,带发讯器,则过滤器型号为:QU·BH-63×*P, 滤芯型号为:HX·BH-63×*Q,滤材为金属网,带发讯器,则过滤型号为:WU-H63×*P,滤芯型号为:HX-63×*W

    滤芯压差流量曲线
    滤芯HX-※x※(由试验测得数据)Q-△P曲线油液粘度

     

    技术参数

    型号 通径(mm) 公称流量(L/min) 过滤精度(μm) 公称压力(Mpa) 压力损失(MPa) 发讯装置功率(V/W) 重量(kg) 滤芯型号 连接方式
    Initial Max
    U-H10×*BP 15 10 1 3 5 10 20 30 40 32 0.08 0.35 24V/48W 220V/50W 5.7 HBX-10×*# 板式
    U-H25×*BP 25 7.0 HBX-25×*#
    U-H40×*BP 25 40 0.1 11.5 HBX-40×*#
    U-H63×*BP 63 13.2 HBX-63×*#
    U-H100×*BP 100 15.0 HBX-100×*#
    U-H160×*BP 32 160 0.12 21.4 HBX-160×*#
    U-H250×*BP 40 250 25.7 HBX-250×*#
    U-H400×*BP 50 400 0.15 38.0 HBX-400×*#
    U-H630×*BP 630 42.3 HBX-630×*#
    U-H10×*DLP 15 10 0.08 8.5 HDX-10×*# 倒装 管式
    U-H25×*DLP 25 9.9 HDX-25×*#
    U-H40×*DLP 20 40 0.1 16.4 HDX-40×*#
    U-H63×*DLP 63 18.9 HDX-63×*#
    U-H100×*DLP 25 100 22.5 HDX-100×*#
    U-H160×*DLP 32 160 0.15 33.4 HDX-160×*#
    U-H10×*DFP 15 10 0.08 8.6 HDX-10×*# 倒装 法兰式
    U-H25×*DFP 25 10.0 HDX-25×*#
    U-H40×*DFP 20 40 0.1 16.6 HDX-40×*#
    U-H63×*DFP 63 19.2 HDX-63×*#
    U-H100×*DFP 25 100 22.9 HDX-100×*#
    U-H160×*DFP 32 160 0.12 34.0 HDX-160×*#
    U-H250×*DFP 40 250 41.9 HDX-250×*#
    U-H400×*DFP 50 400 0.15 57.6 HDX-400×*#
    U-H630×*DFP 53 630 62.4 HDX-630×*#
    U-H10×*DFAP 15 10 0.08 8.6 HDX-10×*# 倒装 法兰式 A型
    U-H25×*DFAP 25 10.0 HDX-25×*#
    U-H40×*DFAP 20 40 0.1 16.6 HDX-40×*#
    U-H63×*DFAP 63 19.2 HDX-62×*#
    U-H100×*DFAP 25 100 22.9 HDX-100×*#
    U-H160×*DFAP 32 160 0.12 34.0 HDX-160×*#
    U-H400×*DFAP 40 250 41.9 HDX-250×*#
    U-H40×*DFBP 50 400 0.15 57.6 HDX-400×*#
    U-H630×*DFAP 53 630 62.4 HDX-630×*#
    U-H10×*DFBP 15 10 0.08 8.6 HDX-10×*# 倒装 法兰式 B型
    U-H25×*DFBP 25 10.0 HDX-25×*#
    U-H250×*DFAP 20 40 0.1 16.6 HDX-40×*#
    U-H63×*DFBP 63 19.2 HDX-63×*#
    U-H100×*DFBP 25 200 22.9 HDX-100×*#
    U-H160×*DFBP 32 160 0.12 34.0 HDX-160×*#
    U-H250×*DFBP 40 250 41.9 HDX-250×*#
    U-H400×*DFBP 50 400 0.15 57.6 HDX-400×*#
    U-H630×*DFBP 53 630 62.4 HDX-630×*#
    U-H10×*BDP 15 10 0.08 8.4 HDX-10×*# 倒装板式
    U-H25×*BDP 25 9.8 HDX-25×*#
    U-H40×*BDP 20 40 0.1 16.3 HDX-40×*#
    U-H63×*BDP 63 18.9 HDX-63×*#
    U-H100×*BDP 25 100 22.5 HDX-100×*#
    U-H160×*BDP 40 160 0.12 33.6 HDX-160×*#
    U-H250×*BDP 250 41.3 HDX-250×*#
    U-H400×*BDP 50 400 0.15 57.0 HDX-400×*#
    U-H630×*BDP 630 61.8 HDX-630×*#
    U-H800×*BDP 800 HDX-800×*#


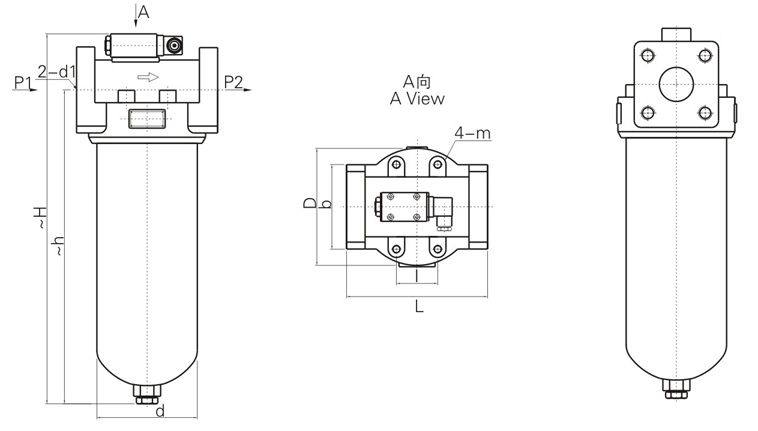
    外型安装尺寸

    1.管式

    型号 尺寸(mm)
    ~H ~h L I b D d m M
    Z QU-H10X*P 198 140 118 70 Φ88 Φ73 2-M6 M27×2
    Z QU-H25X*P 288 230
    Z QU-H40X*P 255 194 128 44 86 Φ124 Φ102 4-M10 M33×2
    Z QU-H63X*P 323 262
    Z QU-H100X*P 394 329 M42×2
    Z QU-H160X*P 435 362 166 60 100 Φ146 Φ121 M48×2


    注:流量为10 L/min时,出油口螺纹选用M18×1.5;25L/min时,出油口螺纹则选用M22×1.5,它属特殊订货,型号为ZUT-H10×*P;ZUT-H25×*P

    2.法兰式

    型号 尺寸(mm)
    ~H ~h L I b D d d1 m
    Z QU-H250×*FP 508 430 166 60 100 146 121 Φ40 M10
    Z QU-H400×*FP 545 461 206 123 170 146 Φ50 M12
    Z QU-H630×*FP 647 563 128 Φ55
    Z QU-H800×*FP 767 683


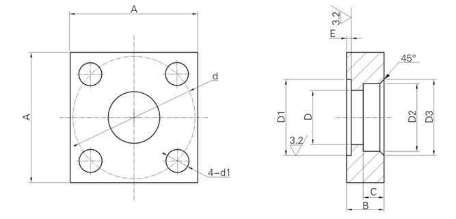
    2.1连接法兰请用户参照下列尺寸加工:

    型号 尺寸(mm) 法兰用"O”型圈 法兰用螺钉
    A B C D D1 D2 D3 d E d1
    Z QU-H250×*FP 100 30 18 Φ40 Φ55 0 -0.2 Φ52 +0.2 0 Φ60 Φ98 2.4 0 -0.1 17 Φ55×3.1 M16×45
    Z QU-H400×*FP 123 36 20 Φ52 Φ73 Φ65 Φ73 Φ118 4.5 22 Φ73×5.7 M20×60
    Z QU-H630×*FP 142 42 22 Φ55 Φ77 Φ77 Φ85 Φ145 Φ80×5.7 M20×65
    Z QU-H800×*FP 142 42 22 Φ55 Φ77 Φ77 Φ85 Φ145 Φ80×5.7 M20×65


    3.板式

    型号 尺寸(mm)
    ~H ~H1 R d L B I d E F h h1 h2 d1 d2 d3
    Z QU-H10×*BP 200 132 46 Φ 73 158 60 128 30 40 20 50 110 22 Φ 15 Φ24 Φ13
    Z QU-H25×*BP 290 222
    Z QU-H40×*BP 254 184 62 Φ102 190 64 160 32 50 25 65 138 25 Φ25 Φ32 Φ15
    Z QU-H63×*BP 322 252
    Z QU-H100×*BP 384 314
    Z QU-H160×*BP 411 338 73 Φ121 212 72 180 40 60 30 77 164 30 Φ32 Φ40 Φ17
    Z QU-H250×*BP 492 414 80 48 30 Φ40 Φ50
    Z QU-H400×*BP 539 446 85 Φ146 275 110 225 60 80 40 92 194 40 Φ50 Φ65 Φ26
    Z QU-H630×*BP 639 546


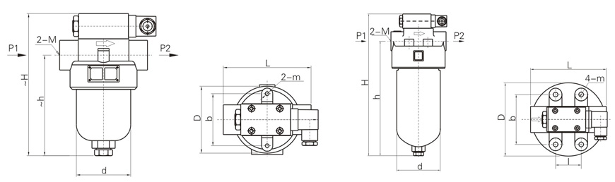
    4.倒装管式

    型号 尺寸(mm)
    H H1 L L1 B d1 d2 h h1 h2 M D
    Z QU-H10×*DLP 198 148 130 95 115 Φ9 Φ14 27.5 33 54 M27×2 Φ92
    Z QU-H25×*DLP 288 238
    Z QU-H40×*DLP 247 197 156 115 145 Φ14 Φ20 34 41 68 M33×2 Φ124
    Z QU-H63×*DLP 315 265
    Z QU-H100×*DLP 377 327 M42×2
    Z QU-H160×*DLP 415 365 190 140 170 46 50 92 M48×2 Φ146


    5.倒装法兰式

    型号 尺寸(mm)
    H H1 D L L1 B d1 d2 h h1 h2 d
    Z QU-H10×*DFP 198 148 Φ92 130 95 115 Φ9 Φ14 27.5 33 54 Φ18
    Z QU-H25×*DFP 288 238
    Z QU-H40×*DFP 247 197 Φ124 156 115 145 Φ14 Φ20 34 41 68 Φ25
    Z QU-H63×*DFP 315 265
    Z QU-H100×*DFP 377 327
    Z QU-H160×*DFP 415 365 Φ146 190 140 170 46 50 92 Φ32
    Z QU-H250×*DFP 485 435 Φ40
    Z QU-H400×*DFP 532 482 Φ176 240 160 200 Φ18 Φ26 63 75 122 Φ50
    Z QU-H630×*DFP 632 582 Φ55
    Z QU-H630×*DFP 752 702


    6.倒装法兰式A型

    , , ,
    型号 尺寸(mm)
    H H1 L L1 L2 b d1 d2 h h1 h2 d D
    ZQU-H10×*DFAP 198 148 122.5 65 95 115 Φ9 Φ14 27.5 33 54 Φ18 Φ92
    ZQU-H25×*DFAP 288 238
    ZQU-H40×*DFAP 247 197 150.5 78 115 145Φ14 Φ20 34 41 68 Φ25 Φ124
    ZQU-H63×*DFAP 315 265
    ZQU-H100×*DFAP 377 327
    ZQU-H160×*DFAP 415 365 180 95 140 170 46 50 92 Φ32 Φ146
    ZQU-H250×*DFAP 485 435 Φ40
    ZQU-H400×*DFAP 532 482 220 120 160 200 Φ18 Φ26 63 75 122 Φ50 Φ176
    ZQU-H630×*DFAP 632 582 Φ55
    ZQU-H800×*DFAP 752 702


    7.倒装法兰式B型

    型号 尺寸(mm)
    H H1 L L1 L2 B d1 d2 h h1 h2 d D
    Z QU-H10×*DFBP 198 148 122.5 65 95 115 Φ9 Φ14 27.5 33 54 Φ18 Φ92
    Z QU-H25×*DFBP 288 238
    Z QU-H40×*DFBP 247 197 150.5 78 115 145 Φ14 Φ20 34 41 68 Φ25 Φ124
    Z QU-H63×*DFBP 315 265
    Z QU-H100×*DFBP 377 327
    Z QU-H160×*DFBP 415 365 180 95 140 170 46 50 92 Φ32 Φ146
    Z QU-H250×*DFBP 485 435 Φ40
    Z QU-H400×*DFBP 532 482 220 120 160 200 Φ18 Φ26 63 75 122 Φ50 Φ176
    Z QU-H630×*DFBP 632 582 Φ55
    Z QU-H800×*DFBP 752 702


    8.倒装板式

    型号 尺寸(mm)
    H h1 D L L1 B d1 d2 E h1 h2 h3 d4 b
    Z QU-H10×*BDP 196 146 Φ92 130 90 115 Φ11.5 Φ18 60 31 50 Φ15 Φ24 14
    Z QU-H25×*BDP 286 236
    Z QU-H40×*BDP 245 195 Φ124 156 115 145 Φ16 Φ23 88 39 64 Φ25 Φ38 15
    Z QU-H63×*BDP 313 163
    Z QU-H100×*BDP 375 325
    Z QU-H160×*BDP 413 363 Φ146 190 135 170 Φ18 Φ26 104 48 88 Φ40 Φ50 23
    Z QU-H250×*BDP 483 433
    Z QU-H400×*BDP 530 480 Φ176 240 160 200 Φ26 Φ38 144 70 118 Φ50 Φ65 24
    Z QU-H630×*BDP 630 580
    Z QU-H800×*BDP 750 700


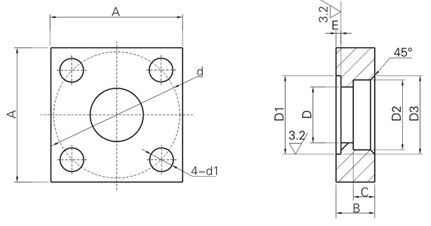
    9.连接法兰请用户参考下列尺寸加工

    型号 尺寸(mm) 法兰用“Q”型圈 法兰用螺钉
    A B C D D1 D2 D3 d E D1
    Z QU-H10×*d△P 52 22 11 Φ18 Φ30 0 -0.2 Φ28 +0.2 0 Φ36 Φ50 2.4 0 -0.1 Φ9 Φ30×3.1 M8×40
    Z QU-H25×*d△P
    Z QU-H40×*d△P 66 12 Φ25 Φ40 Φ35 Φ43 Φ62 Φ11 Φ40×3.1 M10×45
    Z QU-H63×*d△P
    Z QU-H100×*d△P
    Z QU-H160×*d△P 90 26 16 Φ32 Φ50 Φ43 Φ51 Φ85 Φ17 Φ50×3.1 M16×45
    Z QU-H250×*d△P Φ40 Φ52 Φ60
    Z QU-H400×*d△P 120 36 20 Φ52 Φ73 Φ65 Φ73 Φ118 4.5 Φ22 Φ73×5.7 M20×65
    Z QU-H630×*d△P Φ55 Φ80 Φ77 Φ85 Φ80×5.7
    Z QU-H800×*d△P

    PA旗舰厅
    网站地图