电话:
0577-86155736
手机:
0577-86155736
邮箱:
wzcryy@126.com
地址:
温州市瓯海区娄桥工业园繁瑞路11号

DRLF系列大流量回油过滤器安装在液压系统回油管路处,用来滤除油液中诸元件磨损的金属粉末及橡胶质等,使流回油箱中的油液保持清洁。
该过滤器的滤芯采用化纤过滤材质,具有过滤精度高、通油能力大、原始压力小、纳污量大等优点,并装有压差发讯器及旁通阀,当滤芯堵塞到进出口压差为0.35MPa时,便发出开关信号,此时应清洗或更换滤芯,如不能及时停机或无人来更换滤芯,装在滤芯上部的旁通阀会自动开启,以保护系统。
该过滤器广泛用于重型机械、矿山机械、冶金机械等的液压系统。
型号说明

技术参数
| 型号 | 公称流量(L/min) | 过滤精度(µm) | 通径(mm) | 公称压力(MPa) | 压力损失(MPa) | 旁通阀开启压力 (Mpa) | 发讯装置功率 | 重量(kg) | 滤芯型号 | 滤芯数量 | |
| Initial | Max. | ||||||||||
| DRLF-A1300x*P | 1300 | 1 3 5 10 20 30 | 100 | 1.6 | 0.1 | 0.35 | 0.4 | 24V/48W 220V/50W | 140 | SFX-1300x* | 1 |
| DRLF-A2600x*P | 2600 | 150 | 202 | 2 | |||||||
| DRLF-A3900x*P | 3900 | 200 | 225 | 3 | |||||||
| DRLF-A6500x*P | 6500 | 250 | 266 | 5 | |||||||
| DRLF-A7800x*P | 7800 | 250 | 287 | 6 | |||||||
| DRLF-A9100x*P | 9100 | 250 | 308 | 7 | |||||||
注:*为过滤精度。若使用介质为水一乙二醇,公称流量2600L/min,过滤精度10μ m,带发讯器。则过滤器型号为DRLF·BH-A2600x10P,滤芯型号为SFX·BH-1300X10。
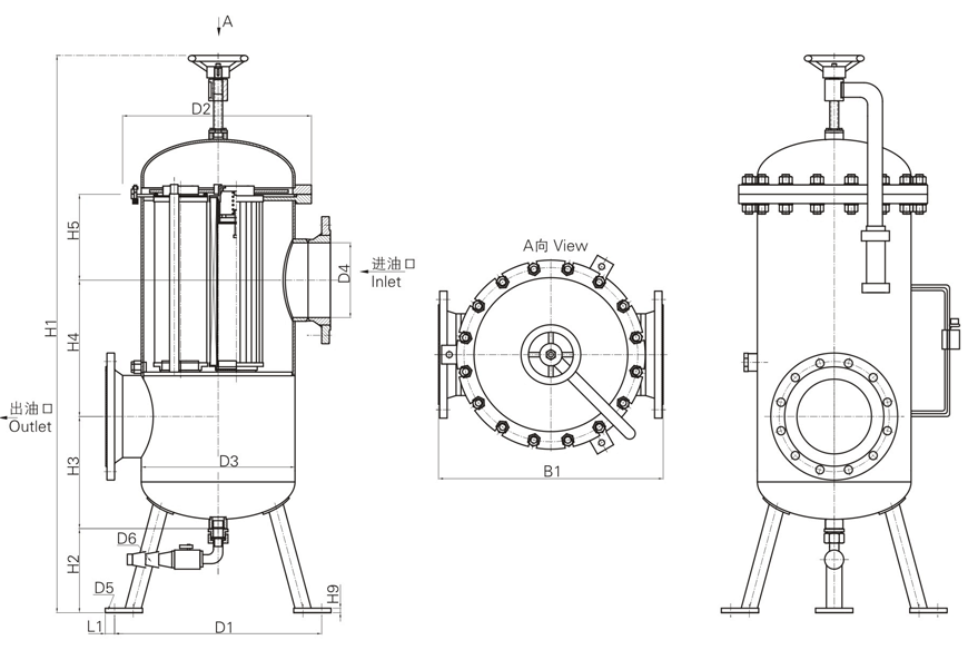
安装尺寸
外接法兰连接尺寸
| 型号Model | 尺寸Size(mm) | 滤芯总数 | ||||||||||||||
| B1 | D1 | D2 | D3 | D4 | D5 | D6 | H1 | H2 | H3 | H4 | H5 | H9 | L1 | L2 | ||
| DRLF-A1300×*P | 502 | 450 | 340 | 264 | 100 | 14 | 21 | 1400 | 250 | 230 | 365 | 230 | 12 | 20 | 80 | 1 |
| DRLF-A2600×*P | 602 | 555 | 500 | 412 | 150 | 18 | 32.4 | 1480 | 275 | 29 | 100 | 2 | ||||
| DRLF-A3900×*P | 200 | 3 | ||||||||||||||
| DRLF-A6500×*P | 754 | 600 | 610 | 516 | 250 | 23 | 1700 | 250 | 350 | 450 | 250 | 18 | 31 | 110 | 5 | |
| DRLF-A7800×*P | 6 | |||||||||||||||
| DRLF-A9100×*P | 7 | |||||||||||||||