服务热线

0577-86155736

PRODUCT SHOW

产品展示

PA旗舰厅

  • 电话:

    0577-86155736

  • 手机:

    0577-86155736

  • 邮箱:

    wzcryy@126.com

  • 地址:

    温州市瓯海区娄桥工业园繁瑞路11号

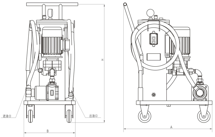
您现在的位置:首页 > 产品展示 > LUC,LUCA,LUCB系列滤油车

 LUC,LUCA,LUCB系列滤油车 

     液压技术的现代化导致了液压系统性能参数日趋于超高压力,大流量和高精度,为确保液压系统的性能和可靠性,对油液的清洁度要求越来越高。
     我厂研制的滤油小车,不仅能作为液压系统注入新油过滤的专用设备,而且还可以作为定期过渡系统介质中污梁物的专用设备,它可以帮助你较好地处理液压系统的污染,延长液压元件的使用寿命,保证系统正常工作。
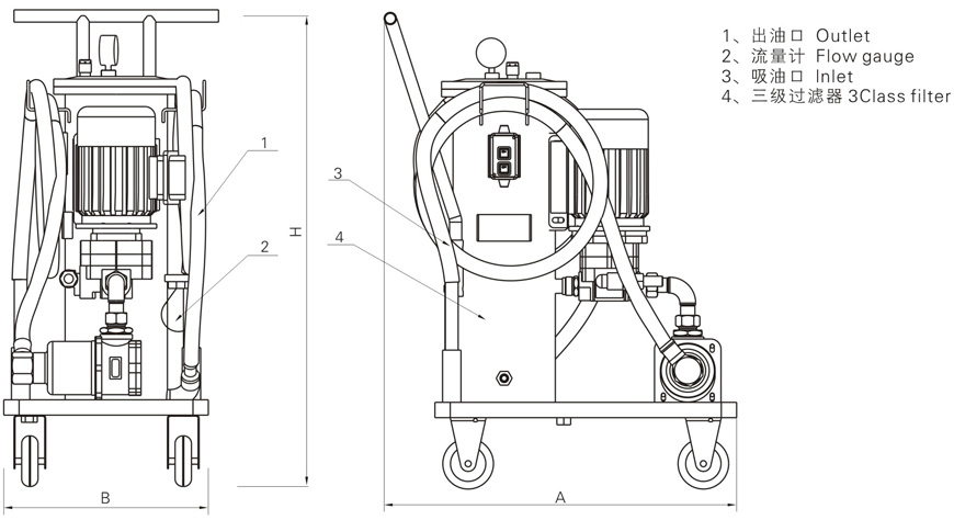
     我厂生产的LUC,LUCA,LUCB系列滤油小车除具有性能可靠,结构紧凑,外形美观,保养纵和使用方便外,还具有较高的精度和低噪声等优点,精滤器内滤芯可据用户不同城要,在3μm、5μm、10μm、20μm、30μm、40μm中进行正由选择,只需调换不同过滤精度的滤芯就可达到不同精度的过滤效果,滤油小车仅滤除油液中的污物,对油液的各项技术指标均无影响。

型号说明

油路图

技术参数

型号 公称流量(l/mm) 粗滤精度(μm) 精滤精度(μm) 原始压力损失(MPa) 磁铁吸力(N) 电动功率(kw) 电动电压(V) 重量(kg)
LUC-16x※# 16 100 3 5 10 20 30 40 <0.02 2 0.37 AC:380 60
LUC-40x※# 40 0.75 90
LUC-63x※# 63 1.1 100
LUC-100x※# 100 1.5 110
LUC A B -16x※# 16 0.37
LUC A B -40x※# 40 0.75
LUC A B-63x※# 63 1.1
LUC A B-100x※# 100 1.5


外型尺寸

型号 尺寸 (mm)
H A B
LUC-16X※ 920 470 350
LUC-40X※ 930 648 400
LUC-63X※ 960 560 400
LUC-100X※ 960 560 400

LUCA系列

型号 尺寸(mm)
H A B
LUCA-16X※ 1060 650 450
LUCA-40X※ 1080 700 500
LUCA-63X※ 1120 740 500
LUCA-100X※ 1120 740 500

LUCB系列

用户自配附件与易损备件

滤油车型号 备件名称
粗过滤滤芯型号 精过滤滤芯型号 骨架式油封 PVC 增强软管 (内径)mm
LUC-16x* CWU-16X100-J CZX-16X * # 20 X 40 X 10 吸油,回油Φ19
LUC-40x*/LUCB-40X * CWU-40X100-J CZX-40X * # 25 X 45 X 10 吸油Φ32,回油Φ25
LUC-63x*/LUCB-63X * CWU-63X100-J CZX-63X * # 25 X 45 X 10 吸油Φ32,回油Φ25
LUC-100x*/LUCB-100X * CWU-100X100-J CZX-100X * # 30 X 50 X 10 吸油Φ32,回油Φ25

滤油车型号 粗过滤滤芯型号 三级过滤筒 骨架式油封 PVC 增强软管 (内径)mm
粗过滤滤芯一级 粗过滤滤芯二级 精过滤滤芯型号
LUCA-16 X * CWU-16X100-J CXXA1-16X80 CXXA2-16X80 CZXA-16X * # 20 X 40 X 10 吸油,回油Φ19
LUCA-40 X * CWU-40X100-J CXXA1-40X80 CXXA2-40X80 CZXA-40X * # 25 X 45 X 10 吸油Φ32,回油Φ25
LUCA-63X * CWU-63X100-J CXXA1-60X80 CXXA2-60X80 CZXA-63X * # 25 X 45 X 10 吸油Φ32,回油Φ25
LUCA-100X * CWU-100X100-J CXXA1-100X80 CXXA2-100X80 CZXA-100X * # 30 X 50 X 10 吸油Φ32,回油Φ25

注:
    (1)*为过滤精度。若使用介质为水一乙二醇时,公称流量63L/min,过滤精度5μm,过滤材质为纸质时,滤油车的型号为LUC·BH-63x5或 LUCA·BH-63X5,精滤器滤芯的型号为CZX·BH-63X5或 CZXA·BH-63X5。
    (2)为了确保滤油车额定沉量,并能正常使用权,用户自配油管的内径应符合上表规格;并注意,在工作中吸油管不得有压扁现象,以免油泵损坏,吸油度高度差<500mm。吸油软管不得加长;回油软管不得长于8m。
    (3)指油泵轴封。

滤油车使用与保养维修
    (1)滤油车在启动时,应注意不能使油泵反转,以免引起没泵轴封吹出导致吸入空气。
    (2)滤油车在使用过程中,油泵可能吸入空气,影响油泵流量,为了达到滤油车的额定流量以保证精细滤芯的正常工作台,应及时打开排气阀,以便将滤筒的空气排净(即排气阀出油后),排完空气之后及时关闭排气阀。
    (3)滤油车使用一段时间后,如因污洒物严重堵塞粗过滤滤芯表面使吸油不畅,引起油泵噪声过大,应停机取出滤芯清洗。
    (4)精细滤芯在使用一段时间后,易被污染物逐渐堵塞,引起滤筒压力升高,当压力达到0.4MPa时,需及时更换精细滤芯。
    (5)使用的吸油、出油软管应随时保持清洁。
    (6)如果滤油车缺陷不出油,请检查认定:
        a. 油泰转向是否正确;
        b. 油箱至吸油口间的各零部件密封是否可靠,吸油口是否离开油面或油液已吸完;
        c. 粗滤器滤芯是否堵塞。
    (7)滤油车流量显著减少,请检查认定:
        a. 粗、精过滤滤芯是否堵塞严重;
        b. 油泵轴油封是否磨损或因反转而造成吹出。
    (8)过滤压力突然下降,请检查精细滤芯是否被击穿。

PA旗舰厅
网站地图