电话:
0577-86155736
手机:
0577-86155736
邮箱:
wzcryy@126.com
地址:
温州市瓯海区娄桥工业园繁瑞路11号

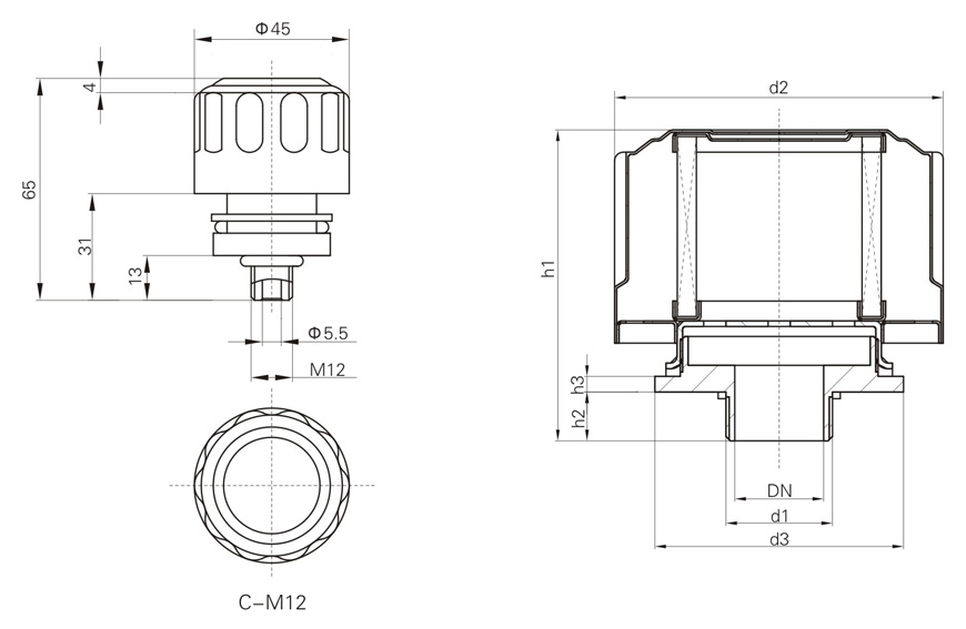
C型空气滤清器适用于减速器排气用。它能维持减速器箱体内的压力和大气压力平衡,并防止赃物颗粒从外部进入箱体,保持箱体内油液的清洁,延长减速器的使用寿命。
型号说明

注:d1=G1 1/2A,过滤精度为40μm 则滤清器型号为:C-G1 1/2A。
技术参数及外型尺寸

| 公称通径 | d1 | d2 | d3 | h1 | h2 | h3 | 空气流量(m3/min) | ||
| 普通螺纹 | 管螺纹 | C | D | ||||||
| 6.5 | M12 | ||||||||
| 25 | M33 X 2 | G 1A | 102 | 96 | 78 | 17 | 10 | 2.95 | 0.59 |
| 32 | M42 X 2 | G1 1/4A | 90 | 19 | |||||
| 40 | M48 X 2 | G 11/2A | 177 | 115 | 130 | 19 | 13.0 | 2.61 | |
| 50 | M60 X 2 | G 2A | 134 | 22 | |||||
| 65 | M76 X 2 | G 2 1/2A | 138 | 24 | 12 | ||||
| 80 | M90 X 2 | G 3A | 212 | 186 | 145 | 26 | 15.85 | 3.17 | |